Productinformatie
-
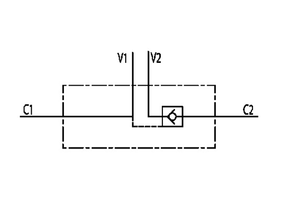
Technische gegevens
Bedrijfsdruk [bar]: 350 Schroefdraad + norm: BSP Schroefdraad [G1]: 3/8" Schroefdraad [G2]: 3/8" Bevestigingsschroefdraad: 3/8" L Gewicht [kg]: 0,706 L1 [mm]: 120 maximale stroomsnelheid [ltr / min]: 35 Openingdruk: 3 H [mm]: 40 pilot ratio: 1:5,5 V1-V2 C1-C2 [GAS - MET]: G 3/8" L L [mm]: 80 S [mm]: 30 L2 [mm]: 38 L3 [mm]: 16 L4 [mm]: 8

