Ons servicenummer:

+49 2845 2950-0

Wij kijken uit naar uw bericht!

Contactformulier

Inloggen bij de InduShop:

Aanmelden
Speciale aanbieding
Van 29-04-2026 naar 01-07-2026
  • Welkom bij Indunorm Hydraulik | Alleen voor professionals
  • 5€ Vroegbestelkorting
  • Gratis levering vanaf 250€
  • Technisch advies

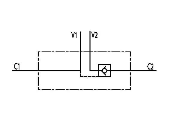
Enkelvoudig werkende terugslagklep - RSV-EW

Gegevens

DN
6
Bedrijfsdruk [bar]
350
350
350
350
350
350
Schroefdraad + norm
BSP
BSP
BSP
BSP
BSP
BSP
L1 [mm]
113
Schroefdraad [G1]
1/4"
3/8"
1/2"
3/8"
1/2"
3/4"
Schroefdraad [G2]
1/4"
3/8"
1/2"
3/8"
1/2"
3/4"
Bevestigingsschroefdraad
1/4" L
3/8" L
1/2" L
3/8"
1/2"
3/4"
Gewicht [kg]
0,612
0,706
0,94
1,130
1,214
1,792
L1 [mm]
106,5
120
133
148
134
182
maximale stroomsnelheid [ltr / min]
20
35
50
45
70
100
Openingdruk
4
3
6
8
3,5
2
H [mm]
40
40
45
45
60
60
pilot ratio
1:5,5
1:5,5
1:5
1:5
1:4
1:4
V1-V2 C1-C2 [GAS - MET]
G 1/4" L
G 3/8" L
G 1/2" L
G 3/8"
G 1/2"
G 3/4"
L [mm]
64
80
90
90
80
100
S [mm]
30
30
35
35
35
40
Aantal
 

Naast Indunorm-producten distribueren we ook merkproducten: