Productinformatie
-
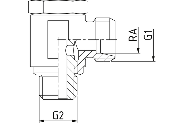
Technische gegevens
Bedrijfsdruk [bar]: 250 Barstdruk [bar]: 1000 Leidingdiam. R [mm]: 8 Schroefdraad [G1]: M14x1,5 Schroefdraad [G2]: G1/4" Serie: L Aansluitingmethode 1: Metrisch 24° Aansluitingmethode 2: Zöllig Materiaal: Automatenstahl Oppervlak: ZnNi Uitvoering: Winkel

