Productinformatie
-
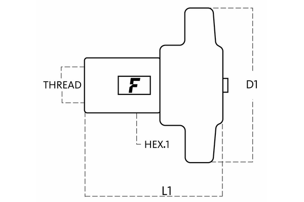
Technische gegevens
DN: 38 Size: 24 Bedrijfsdruk [bar]: 200 Schroefdraad + norm: NPT binnenschroefdraad ANSI B1.20.3 Aansluitschroefdraad [GA]: 1.1/2" Uitw. diam. mof [mm]: 150,0 Lengte mof [mm]: 110,2 SW1 [mm]: 50 l/min bij Δp = 2 bar: 300 Materiaal afdichting: NBR Materiaal behuizing: Messing Mof of stekker: Mof Temperatuurbereik [°C]: -25 °C tot 125 °C Toepassingsgebied: Automobielindustrie

