Productinformatie
-
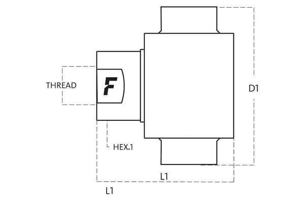
Technische gegevens
DN: 25 Size: 16 Bedrijfsdruk [bar]: 350 Schroefdraad + norm: NPT binnenschroefdraad ANSI B1.20.3 Aansluitschroefdraad [GA]: 1" Uitw. diam. mof [mm]: 105,5 Lengte mof [mm]: 87,6 SW [mm]: 41 SW1 [mm]: 41 l/min bij Δp = 2 bar: 230 Bestendigheid tegen roodroest [h]: 500 Materiaal afdichting: NBR & PUR Materiaal behuizing: Staal Mof of stekker: Mof Oppervlak: Mate 500 (Chroom III) Temperatuurbereik [°C]: -25 °C tot 100 °C Toepassingsgebied: 500

