Vroegbestelkorting
Bij ontvangst van de bestelling tot 09:30 wordt er een extra korting van 5 € toegekend
(geldt voor alle zendingen per pakketdienst naar AT, BE, CH, DE, DK, FR, LU, NL)
Ons servicenummer:
+49 2845 2950-0
Wij kijken uit naar uw bericht!
Inloggen bij de InduShop:
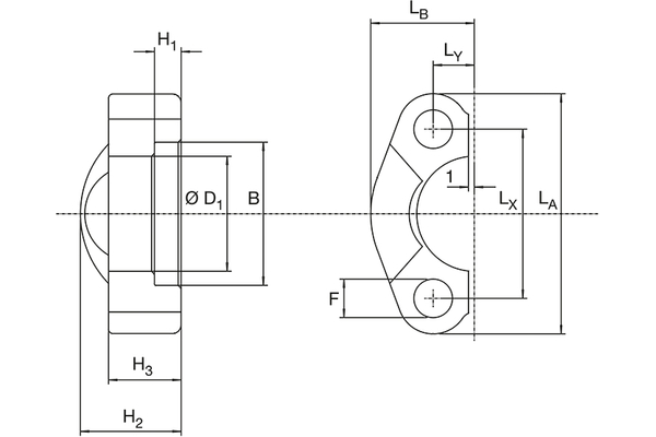
Artikelnummer: RX24SFC9
Lijstnummer: 15808500
Technische wijzigingen voorbehouden.
Nieuwe producten:
Naast Indunorm-producten distribueren we ook merkproducten: