Productinformatie
-
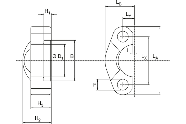
Technische gegevens
DN: 31 Size: 20 Inch: 1.1/4 Bedrijfsdruk [bar]: 420 H1 [mm]: 9,8 H2 [mm]: 38 G: M14x45 E [mm]: 38,0 LX [mm]: 66,7 LY [mm]: 15,9 Lx [mm]: 66,7 Ly [mm: 15,90 Ø D1 [mm]: 44,5

