Productinformatie
-
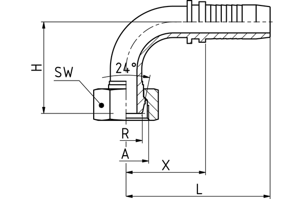
Technische gegevens
DN: 31 Aansluitingschroefdraad A: M 45 x 2 X [mm]: 87 H [mm]: 81 SW1 [mm]: 50 Aansluitingaanduiding Indunorm: MSF 90° Aansluitingmethode: DKL 90° Armaturenserie: XP-VA Graad: 90 Materiaal: Roestvrij staal 1.4571 Uitvoering: 90°

