Productinformatie
-
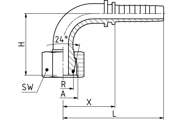
Technische gegevens
DN: 25 Size: 16 Inch: 1" Schroefdraad + norm: Afdichtconus met O-ring conform DIN 3865 (passend voor adapter 24° conform DIN 3901 en 3902), wartel, zware uitvoering Leidingdiam. R [mm]: 25 H [mm]: 66,0 d [mm]: 20,0 Pipe E [mm]: 25 T: M36-2 E [mm]: 46 C [mm]: 72,0 L [mm]: 123,5 Aansluitingaanduiding Indunorm: MSOF 90° Aansluitingmethode: DKOS 90° Armaturenserie: VC Materiaal: Automatenstaal Oppervlak: CrIII Uitvoering: 90°

