Productinformatie
-
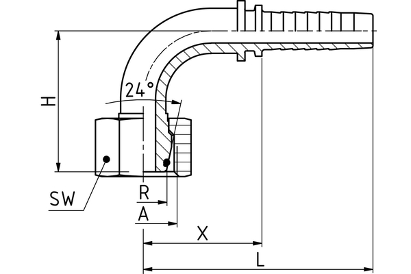
Technische gegevens
DN: 19 Size: 12 Inch: 3/4" Schroefdraad + norm: Afdichtconus met O-ring conform DIN 3865 (passend voor adapter 24° conform DIN 3901 en 3902), wartel, zware uitvoering Leidingdiam. R [mm]: 20 H [mm]: 55,0 d [mm]: 15,0 Pipe E [mm]: 20 T: M30-2 E [mm]: 36 C [mm]: 58,0 L [mm]: 107,5 Aansluitingaanduiding Indunorm: MSOF 90° Aansluitingmethode: DKOS 90° Armaturenserie: VC Materiaal: Automatenstaal Oppervlak: CrIII Uitvoering: 90°

