Productinformatie
-
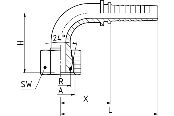
Technische gegevens
DN: 25 Size: 16 Inch: 1" Schroefdraad + norm: Afdichtconus met O-ring conform DIN 3865 (passend voor adapter 24° conform DIN 3901 en 3902), wartel, lichte uitvoering Leidingdiam. R [mm]: 28 H [mm]: 58,0 d [mm]: 20,0 Pipe E [mm]: 28 T: M36-2 E [mm]: 41 C [mm]: 72,0 L [mm]: 125,5 Aansluitingaanduiding Indunorm: MSOF 90° Aansluitingmethode: DKOL 90° Armaturenserie: VC Materiaal: Automatenstaal Oppervlak: CrIII Uitvoering: 90°

