Productinformatie
-
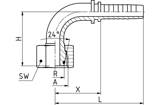
Technische gegevens
DN: 10 Size: 06 Inch: 3/8" Schroefdraad + norm: Afdichtconus met O-ring conform DIN 3865 (passend voor adapter 24° conform DIN 3901 en 3902), wartel, lichte uitvoering Leidingdiam. R [mm]: 12 H [mm]: 36,5 d [mm]: 7,0 Pipe E [mm]: 12 T: M18-1,5 E [mm]: 22 C [mm]: 32,0 L [mm]: 61,5 Aansluitingaanduiding Indunorm: MSOF 90° Aansluitingmethode: DKOL 90° Armaturenserie: VC Materiaal: Automatenstaal Oppervlak: CrIII Uitvoering: 90°

