Productinformatie
-
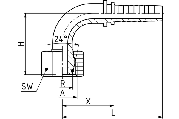
Technische gegevens
DN: 6 Size: 04 Inch: 1/4" Schroefdraad + norm: Afdichtconus met O-ring conform DIN 3865 (passend voor adapter 24° conform DIN 3901 en 3902), wartel, lichte uitvoering H [mm]: 33,0 d [mm]: 4,0 T: M18x1,5 SW1 [mm]: 22 E [mm]: 22 C [mm]: 29,0 L [mm]: 57,0 Aansluitingaanduiding Indunorm: MSOF 90° Aansluitingmethode: DKOL 90° Armaturenserie: VC Materiaal: Automatenstaal Uitvoering: 90°

