Productinformatie
-
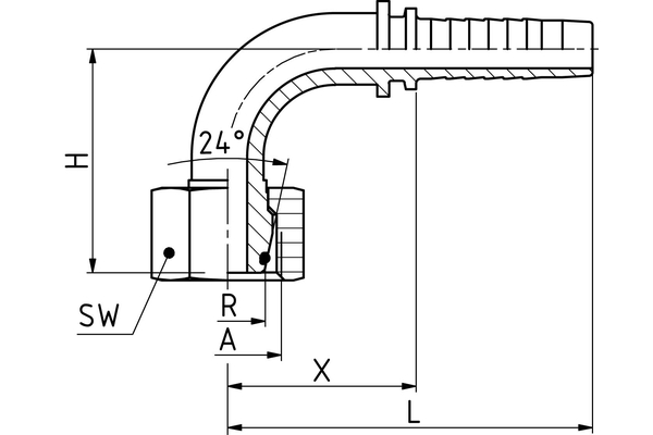
Technische gegevens
DN: 8 Size: 05 Inch: 5/16" Schroefdraad + norm: Afdichtconus met O-ring conform DIN 3865 (passend voor adapter 24° conform DIN 3901 en 3902), wartel, lichte uitvoering Leidingdiam. R [mm]: 10 H [mm]: 33,0 d [mm]: 5,5 Pipe E [mm]: 10 T: M16-1,5 E [mm]: 19 C [mm]: 31,0 L [mm]: 57,5 Aansluitingaanduiding Indunorm: MSOF 90° Aansluitingmethode: DKOL 90° Armaturenserie: VC Materiaal: Automatenstaal Oppervlak: CrIII Uitvoering: 90°

