Productinformatie
-
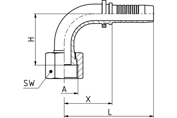
Technische gegevens
DN: 38 Size: 24 Inch: 1.1/2 Schroefdraad + norm: ORFS-afdichtvorm met wartel, UN-/UNF-/UNS-schroefdraad Aansluitingschroefdraad A: 2"-12 UN X [mm]: 82,3 L1 [mm]: 150,0 H [mm]: 81,3 SW1 [mm]: 60 Aansluitingaanduiding Indunorm: LORF 90° Aansluitingmethode: ORFS 90° met wartelmoer Armaturenserie: Universeel programma XV Bestendigheid tegen roodroest [h]: 144 Bestendigheid tegen witroest [h]: 72 Materiaal: Automatenstaal Oppervlak: Cr3 Uitvoering: 90°

