Productinformatie
-
Technische gegevens
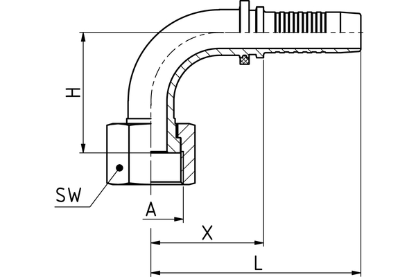
DN: 06 Size: 4 Inch: 1/4 Schroefdraad + norm: ORFS-afdichtvorm met wartel, UN-/UNF-/UNS-schroefdraad Aansluitingschroefdraad A: 11/16"-16 UN X [mm]: 32,8 L1 [mm]: 58,0 H [mm]: 25,0 SW1 [mm]: 22 Aansluitingaanduiding Indunorm: LORF 90° Aansluitingmethode: ORFS 90° met wartelmoer Armaturenserie: Universeel programma XV Bestendigheid tegen roodroest [h]: 144 Bestendigheid tegen witroest [h]: 72 Materiaal: Automatenstaal Oppervlak: Cr3 Uitvoering: 90°

