Productinformatie
-
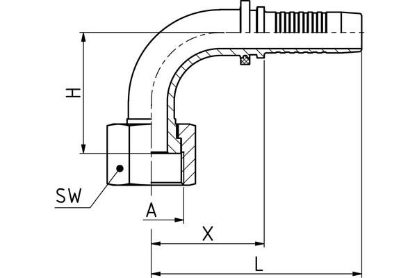
Technische gegevens
DN: 12 Size: 8 Inch: 1/2 Schroefdraad + norm: ORFS-afdichtvorm met wartel, UN-/UNF-/UNS-schroefdraad Aansluitingschroefdraad A: 13/16"-16 UN X [mm]: 38,5 L1 [mm]: 74,0 H [mm]: 82,0 SW1 [mm]: 24 Aansluitingaanduiding Indunorm: LORF 90° SL Aansluitingmethode: ORFS 90° met speciale pootlengte en wartel Armaturenserie: Universeel programma XV Bestendigheid tegen roodroest [h]: 144 Bestendigheid tegen witroest [h]: 72 Materiaal: Automatenstaal Oppervlak: Cr3 Uitvoering: 90°

