Productinformatie
-
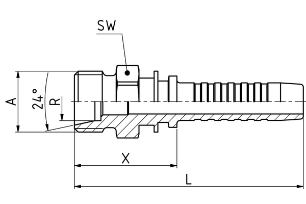
Technische gegevens
DN: 08 Size: 5 Inch: 5/16 Schroefdraad + norm: Draadstift met boringuitvoering W (24°) conform DIN 3861, lichte uitvoering Aansluitingschroefdraad A: M16x1,5 Leidingdiam. R [mm]: 10 X [mm]: 28,4 L1 [mm]: 61,3 SW1 [mm]: 17 Aansluitingaanduiding Indunorm: ME Aansluitingmethode: CEL Armaturenserie: Universeel programma XV Materiaal: Automatenstaal Oppervlak: Cr3 Uitvoering: 0°

