Productinformatie
-
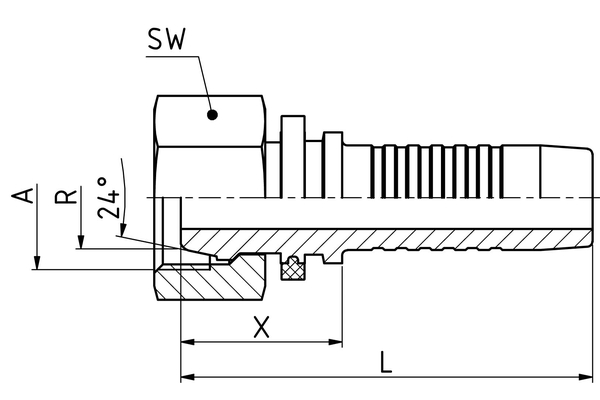
Technische gegevens
DN: 10 Size: 6 Inch: 3/8 Schroefdraad + norm: Afdichtkegel met wartel, lichte uitvoering Aansluitingschroefdraad A: M16x1,5 Leidingdiam. R [mm]: 10 X [mm]: 18,8 L1 [mm]: 52,3 SW1 [mm]: 19 Aansluitingaanduiding Indunorm: MSF Aansluitingmethode: DKL Armaturenserie: Universeel programma XV Bestendigheid tegen roodroest [h]: 720 Bestendigheid tegen witroest [h]: 120 Materiaal: Automatenstaal Oppervlak: Zn-Ni Uitvoering: 0°

