Productinformatie
-
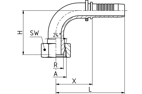
Technische gegevens
DN: 06 Size: 4 Inch: 1/4 Schroefdraad + norm: Afdichtkegel met wartel, lichte uitvoering Aansluitingschroefdraad A: M14x1,5 Leidingdiam. R [mm]: 8 X [mm]: 29,0 L1 [mm]: 59,0 H [mm]: 29,0 SW1 [mm]: 17 Moertype: Opsteek Aansluitingaanduiding Indunorm: MSF 90° Aansluitingmethode: DKL 90° Armaturenserie: Universeel programma XV Materiaal: Automatenstaal Uitvoering: 90°

