Productinformatie
-
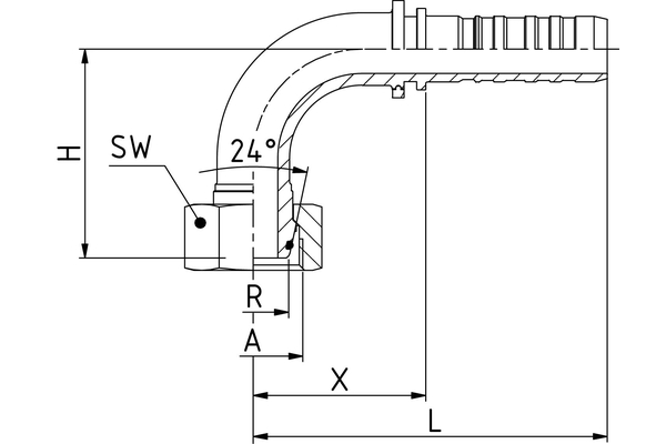
Technische gegevens
DN: 25 Size: 16 Inch: 1" Aansluitingschroefdraad A: M42x2,0 Leidingdiam. R [mm]: 30 X [mm]: 85,0 H [mm]: 70,0 SW1 [mm]: 50 Aansluitingaanduiding Indunorm: MSOF 90° Aansluitingmethode: DKOS 90° Armaturenserie: Multispiraalprogramma HNS slangarmaturen (no skive) Graad: 90 Materiaal: Automatenstaal Materiaal: Automatenstaal Uitvoering: 90°

