Productinformatie
-
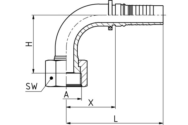
Technische gegevens
DN: 19 Schroefdraad + norm: UN/UNF binnenschroefdraad, vlakdichtend Aansluitingschroefdraad A: 1-7/16-12 X [mm]: 66,2 H [mm]: 58,0 SW1 [mm]: 41 Aansluitingaanduiding Indunorm: LORF 90° Aansluitingmethode: ORFS met wartel 90° Armaturenserie: Multispiraalprogramma HAI Materiaal: Automatenstaal Uitvoering: 90°

