Ons servicenummer:

+49 2845 2950-0

Wij kijken uit naar uw bericht!

Contactformulier

Inloggen bij de InduShop:

Aanmelden
Speciale aanbieding
Van 29-04-2026 naar 01-07-2026
  • Welkom bij Indunorm Hydraulik | Alleen voor professionals
  • 5€ Vroegbestelkorting
  • Gratis levering vanaf 250€
  • Technisch advies

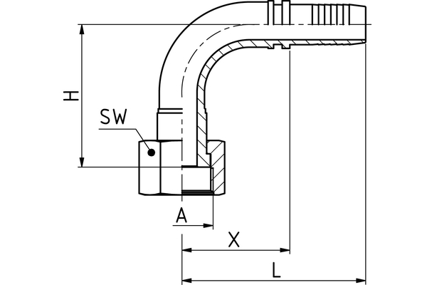
XP-RVS..ORFS 90°

Gegevens

DN
6
6
8
10
10
12
12
16
19
19
19
25
31
38
Aansluitingschroefdraad A
9/16"-18
11/16"-16
11/16"-16
11/16"-16
13/16"-16
13/16"-16
1"-14
1"-14
1"-14
1. 3/16"-12
1. 7/16"-23
1. 7/16"-12
1. 11/16"-12
2"-12
X [mm]
30
30
35
42
44
46
56
60
74
83,5
86,5
104
H [mm]
28
30
31
36
36,5
48,5
49
59
52,5
66
79
97
SW1 [mm]
19
22
22
22
24
24
30
30
30
36
41
41
50
60
Aantal
 

Productinformatie

  • Technische gegevens
    Aansluitingaanduiding Indunorm: LORF 90°
    Aansluitingmethode: ORFS 90° met wartel
    Armaturenserie: XP-VA
    Materiaal: Roestvrij staal 1.4571
    Uitvoering: 90°

Naast Indunorm-producten distribueren we ook merkproducten: