Productinformatie
-
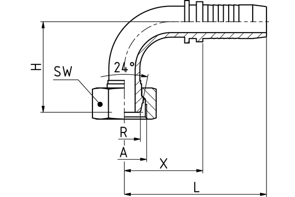
Technische gegevens
DN: 19 Aansluitingschroefdraad A: M 30 x 2 X [mm]: 61 H [mm]: 53 SW1 [mm]: 36 Aansluitingaanduiding Indunorm: MSF 90° Aansluitingmethode: DKL 90° Armaturenserie: XP-VA Graad: 90 Materiaal: Roestvrij staal 1.4571 Uitvoering: 90°

