Productinformatie
-
Technische gegevens
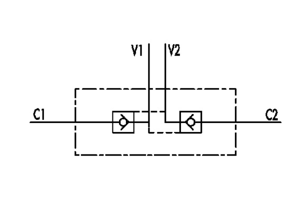
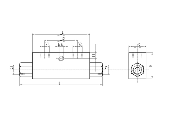
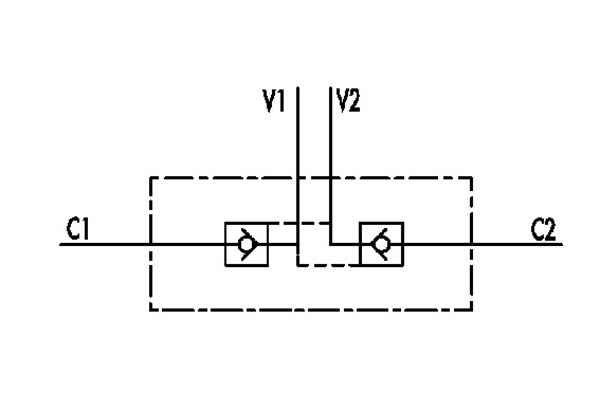
Bedrijfsdruk [bar]: 350 Schroefdraad + norm: G 3/8" Bevestigingsschroefdraad: 3/8" Gewicht [kg]: 1,174 L1 [mm]: 156 maximale stroomsnelheid [ltr / min]: 45 Openingdruk: 8 H [mm]: 45 pilot ratio: 1:5 V1-V2 C1-C2 [GAS - MET]: G 3/8" L [mm]: 90 S [mm]: 35 L2 [mm]: 45 L3 [mm]: 12,5

