Productinformatie
-
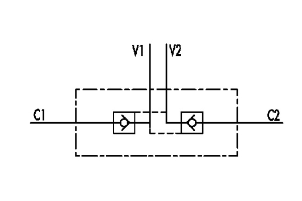
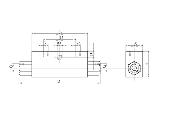
Technische gegevens
Bedrijfsdruk [bar]: 300 Schroefdraad + norm: G 3/4" Bevestigingsschroefdraad: 3/4" Gewicht [kg]: 1,916 L1 [mm]: 192 maximale stroomsnelheid [ltr / min]: 100 Openingdruk: 2 H [mm]: 60 pilot ratio: 1:4 V1-V2 C1-C2 [GAS - MET]: G 3/4" L [mm]: 100 S [mm]: 40 L2 [mm]: 46 L3 [mm]: 12

