Productinformatie
-
Technische gegevens
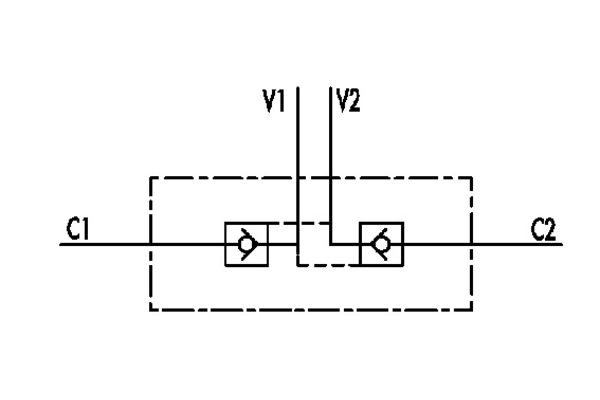
Bedrijfsdruk [bar]: 350 Schroefdraad + norm: G 1/4" L Bevestigingsschroefdraad: 1/4" L Gewicht [kg]: 0,636 L1 [mm]: 113 maximale stroomsnelheid [ltr / min]: 20 Openingdruk: 4 H [mm]: 40 pilot ratio: 1:5,5 V1-V2 C1-C2 [GAS - MET]: G 1/4" L L [mm]: 64 S [mm]: 30 L2 [mm]: 36 L3 [mm]: 8

