Productinformatie
-
Technische gegevens
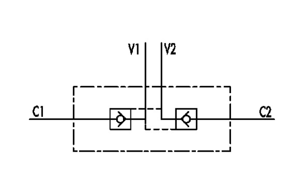
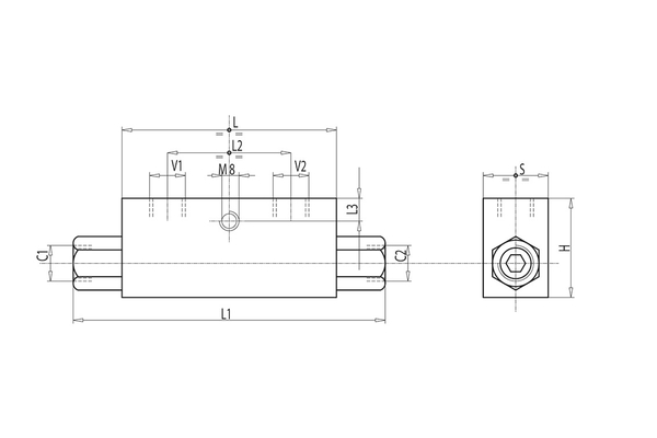
Bedrijfsdruk [bar]: 350 Schroefdraad + norm: G 1/2" L Bevestigingsschroefdraad: 1/2" L Gewicht [kg]: 1,042 L1 [mm]: 142 maximale stroomsnelheid [ltr / min]: 50 Openingdruk: 6 H [mm]: 45 pilot ratio: 1:5 V1-V2 C1-C2 [GAS - MET]: G 1/2" L L [mm]: 90 S [mm]: 35 L2 [mm]: 45 L3 [mm]: 12,5

