Productinformatie
-
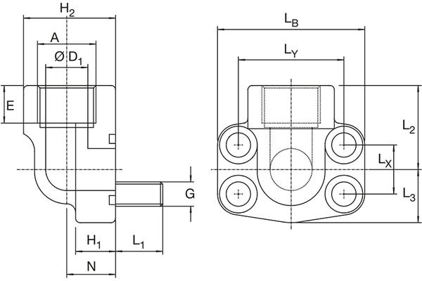
Technische gegevens
DN: 25 Size: 16 Inch: 1 Bedrijfsdruk [bar]: 315 L1 [mm]: 15 H1 [mm]: 19 H2 [mm]: 44,5 G: M10 A: G1" E [mm]: 19 L2 [mm]: 41 L3 [mm]: 27 Lb: 74 Lx [mm]: 26,2 Ly [mm: 52,4 N [mm]: 28 Ø D1 [mm]: 25

