Productinformatie
-
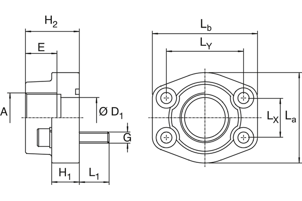
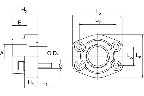
Technische gegevens
DN: 31 Size: 20 Inch: 1.1/4 Bedrijfsdruk [bar]: 420 L1 [mm]: 22 H1 [mm]: 27,5 H2 [mm]: 44 G: M14 A: G 1.1/4" E [mm]: 22 La [mm]: 79 Lb: 94 Lx [mm]: 31,6 Ly [mm: 66,6 Ø D1 [mm]: 31

