Productinformatie
-
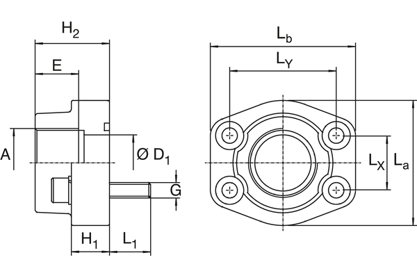
Technische gegevens
DN: 12 Size: 8 Inch: 1/2 Bedrijfsdruk [bar]: 348 L1 [mm]: 14 H1 [mm]: 16 H2 [mm]: 36 G: M8 A: G 1/2" E [mm]: 15 La [mm]: 47 Lb: 57 Lx [mm]: 17,5 Ly [mm: 38,1 Ø D1 [mm]: 13

