Informations produits
-
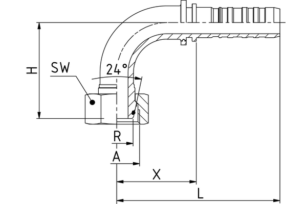
Données techniques
DN: 25 Size: 16 Pouce: 1" Filetage de raccord A: M36x2,0 Ø tube R [mm]: 25 X [mm]: 76,0 H [mm]: 82,0 SW1 [mm]: 46 Degré: 90 Désignation de raccord Indunorm: MSOF 90° Forme: 90° Gamme d'embout à sertir: Programme multispiral HNS No-Skive Matériau: Acier galvanisé Matériau: Acier galvanisé Type de raccord: DKOS 90°

