Informations produits
-
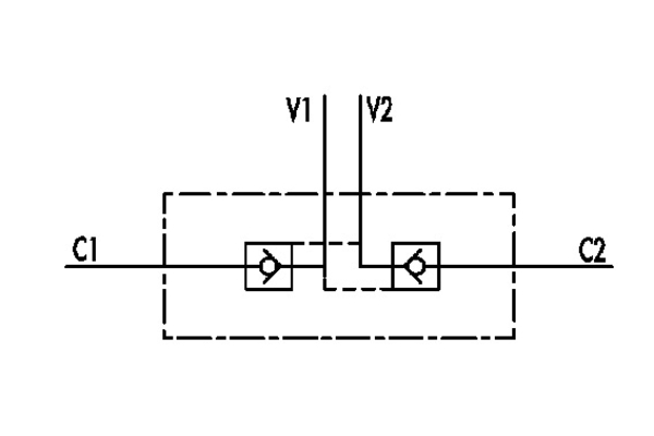
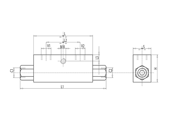
Données techniques
Pression de service [bar]: 350 Filetage + norme: G 1/4" L Filetage de fixation: 1/4" L Poids [kg]: 0,636 L1 [mm]: 113 Débit max. [l/min]: 20 Pression d'ouverture [bar]: 4 H [mm]: 40 Rapport de déverrouillage: 1:5,5 V1-V2 C1-C2 [GAS - MET]: G 1/4" L L [mm]: 64 S [mm]: 30 L2 [mm]: 36 L3 [mm]: 8

