Informations produits
-
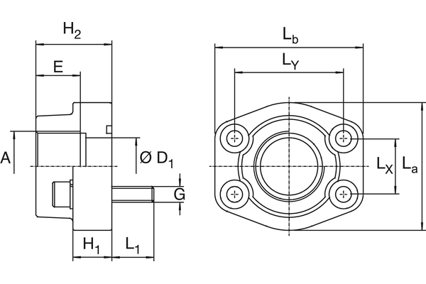
Données techniques
DN: 25 Size: 16 Pouce: 1 Pression de service [bar]: 420 L1 [mm]: 19 H1 [mm]: 24,5 H2 [mm]: 44 G: M12 A: G 1" E [mm]: 20 La [mm]: 68 Lb: 80 Lx [mm]: 27,8 Ly [mm]: 57,2 Ø D1 [mm]: 25

