Informations produits
-
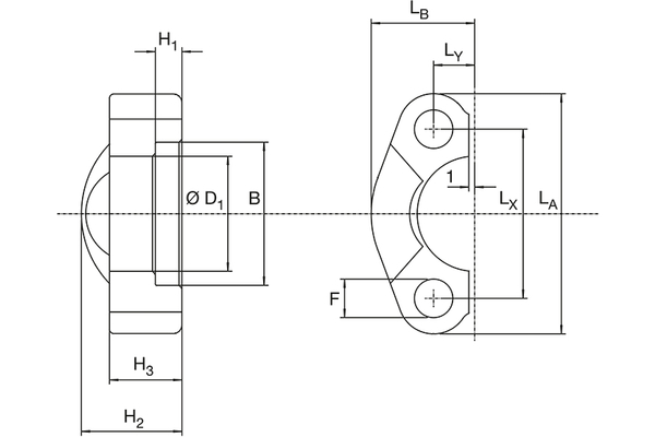
Données techniques
DN: 31 Size: 20 Pouce: 1.1/4 Pression de service [bar]: 420 H1 [mm]: 9,8 H2 [mm]: 38 G: M14x45 E [mm]: 38,0 LX [mm]: 66,7 LY [mm]: 15,9 Lx [mm]: 66,7 Ly [mm]: 15,90 Ø D1 [mm]: 44,5

