Produktinformationen
-
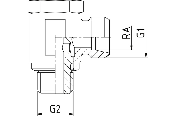
Technische Daten
Betriebsdruck [bar]: 250 Berstdruck [bar]: 1000 Rohr-Ø R [mm]: 15 Gewinde [G1]: M22x1,5 Gewinde [G2]: G1/2" Baureihe: L Anschlussart 1: Metrisch 24° Anschlussart 2: Zöllig Bauform: Winkel Material: Automatenstahl Oberfläche: ZnNi

