Produktinformationen
-
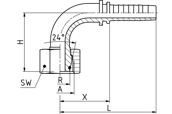
Technische Daten
DN: 19 Size: 12 Zoll: 3/4" Gewinde + Norm: Dichtkegel mit O-Ring nach DIN 3865 (passend für Stutzen 24° nach DIN 3901 und 3902), Überwurfmutter, schwere Reihe Rohr-Ø R [mm]: 25 H [mm]: 59,0 d [mm]: 15,0 Pipe E [mm]: 25 T: M36x2 E [mm]: 46 C [mm]: 56,0 L [mm]: 95,0 Anschlussart: DKOS 90° Anschlussbezeichnung Indunorm: MSOF 90° Armaturenreihe: VC Bauform: 90° Material: Automatenstahl Oberfläche: CrIII

