Produktinformationen
-
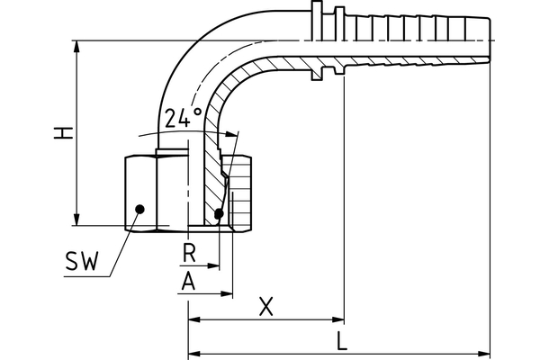
Technische Daten
DN: 16 Size: 10 Zoll: 5/8" Gewinde + Norm: Dichtkegel mit O-Ring nach DIN 3865 (passend für Stutzen 24° nach DIN 3901 und 3902), Überwurfmutter, schwere Reihe Rohr-Ø R [mm]: 20 H [mm]: 50,0 d [mm]: 12,0 Pipe E [mm]: 20 T: M30x2 E [mm]: 36 C [mm]: 46,0 L [mm]: 80,5 Anschlussart: DKOS 90° Anschlussbezeichnung Indunorm: MSOF 90° Armaturenreihe: VC Bauform: 90° Material: Automatenstahl Oberfläche: CrIII

