Produktinformationen
-
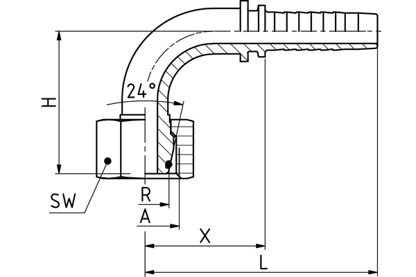
Technische Daten
DN: 12 Size: 08 Zoll: 1/2" Gewinde + Norm: Dichtkegel mit O-Ring nach DIN 3865 (passend für Stutzen 24° nach DIN 3901 und 3902), Überwurfmutter, schwere Reihe Rohr-Ø R [mm]: 16 H [mm]: 41,0 d [mm]: 9,5 Pipe E [mm]: 16 T: M24x1,5 E [mm]: 30 C [mm]: 41,0 L [mm]: 72,0 Anschlussart: DKOS 90° Anschlussbezeichnung Indunorm: MSOF 90° Armaturenreihe: VC Bauform: 90° Material: Automatenstahl Oberfläche: CrIII

