Produktinformationen
-
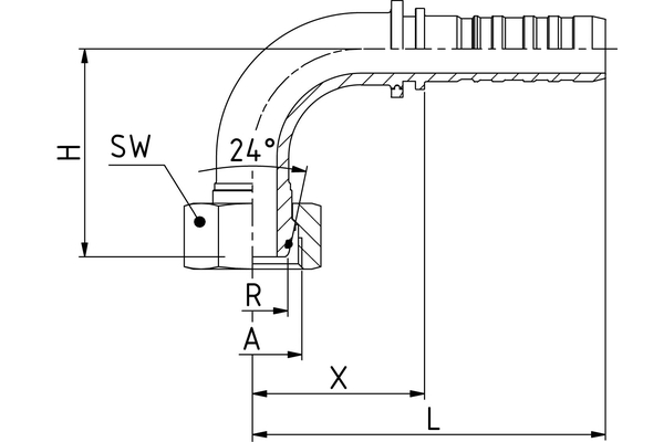
Technische Daten
DN: 19 Size: 12 Zoll: 3/4" Anschluss-Gewinde A: M30x2,0 Rohr-Ø R [mm]: 20 X [mm]: 66,1 H [mm]: 67,5 SW1 [mm]: 36 Anschlussart: DKOS 90° Anschlussbezeichnung Indunorm: MSOF 90° Armaturenreihe: Multispiralprogramm HNS No-Skive Bauform: 90° Grad: 90 Material: Stahl verzinkt Material: Stahl verzinkt

